厢式压滤机

工作原理:

厢式压滤机工作原理是由滤板排列组成滤室(滤板两侧凹进,每两块滤板组合成一厢形滤室)。

滤板的表面有麻点和凸台,用以支撑滤布。滤板的中心和边角上有通孔,组装后构成完整的通道,能通入悬浮液、洗涤水和引出滤液。滤板两侧各有把手支托在横梁上,由压紧装置压紧滤板。滤板之间的滤布起密封作用。

在输料泵的压力作用下, 将需要过滤的物料液体送进各滤室,通过过滤介质,将固体和液体分离。在滤布上形成滤渣,直至充满滤室形成滤饼。滤液穿过滤布并沿滤板沟槽流至下方出液孔通道,集中排出。过滤完毕,可通入清洗涤水洗涤滤渣。洗涤后,有时还通入压缩空气,除去剩余的洗涤液。过滤结束后打开压滤机卸除滤饼,清洗滤布,重新压紧板滤开始下一工作循环。

压滤机特点:

1、滤板、滤框采用增强聚丙烯一次模压成型,相对尺寸和化学性能稳定,强度高,重量轻,耐酸碱,无毒无味,

所有过流面均为耐腐介质。

2、机架采用高强度钢结构,安全可靠,功能稳定,经久耐久。(材料可定制)

3、工作方式采用液压压紧和放松,高压紧压力可达25Mpa,采用电气一体化控制。(手动机型除外)。

4、压滤机的操作简单可靠,常规型均采用按钮控制,也可采用文本显示器或触摸屏控制,工况可配置这种类型安全装置保证操作人员安全。

5、自动拉板配置采用PLC控制模式,也可做到远程控制、一键启动,提高了设备的控制可靠性、稳定性、科学性和安全性。

厢式压滤机型号含义:

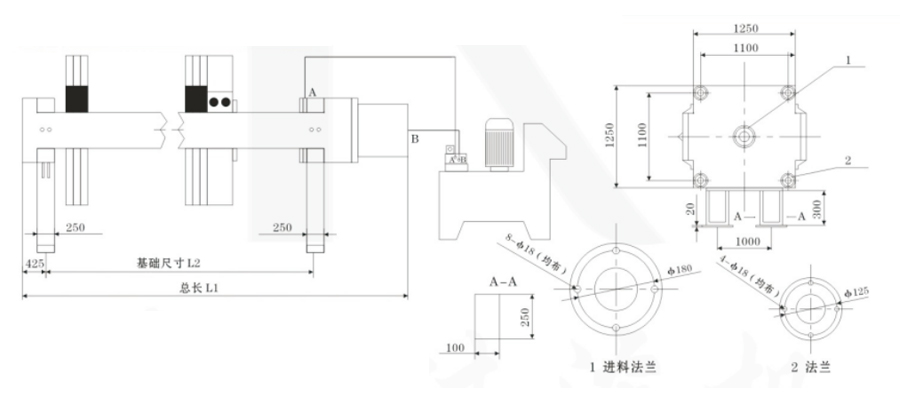
外形及地基示意图:

厢式压滤机

技术参数表:

厢式压滤机



TOP