隔膜式压滤机,也就是隔膜压滤机,是滤板与滤布之间加装了一层弹性膜的压滤机。使用过程中,当入料结束,可将高压流体或气体介质注入隔膜板中,这时整张隔膜就会鼓起压迫滤饼,进而实现滤饼的进一步脱水,就是通常讲的压榨过滤。
隔膜压滤机具有压榨压力高、耐腐蚀性能好维修方便、安全可靠等优点,是冶金、煤气、造纸、炼焦、制药、食品、酿造、精细化工等行业客户的首选。
隔膜压滤机已被广泛应用于需要固液分离的各个领域。隔膜式压滤机被认为是普通厢式压滤机的替代升级设备。
隔膜式压滤机在单位面积处理能力、降低滤饼水分、对处理物料的性质的适应性等方面都表现出较好的效果。
工作原理
隔膜压滤机与普通厢式压滤机的主要不同之处就是在滤板与滤布之间加装了一层弹性膜隔膜板。运行过程中,当入料结束,可将高压流体介质注入滤板与隔膜之间,这时整张隔膜就会鼓起压迫滤饼,从而实现滤饼的进一步脱水,就是压榨过滤。
压滤机特点:
1、滤板、滤框采用增强聚丙烯一次模压成型,相对尺寸和化学性能稳定,强度高,重量轻,耐酸碱,无毒无味,
所有过流面均为耐腐介质。
2、机架采用高强度钢结构,安全可靠,功能稳定,经久耐久。(材料可定制)
3、工作方式采用液压压紧和放松,高压紧压力可达25Mpa,采用电气一体化控制。(手动机型除外)。
4、压滤机的操作简单可靠,常规型均采用按钮控制,也可采用文本显示器或触摸屏控制,工况可配置这种类型安全装置保证操作人员安全。
5、自动拉板配置采用PLC控制模式,也可做到远程控制、一键启动,提高了设备的控制可靠性、稳定性、科学性和安全性。
隔膜压滤机型号含义:

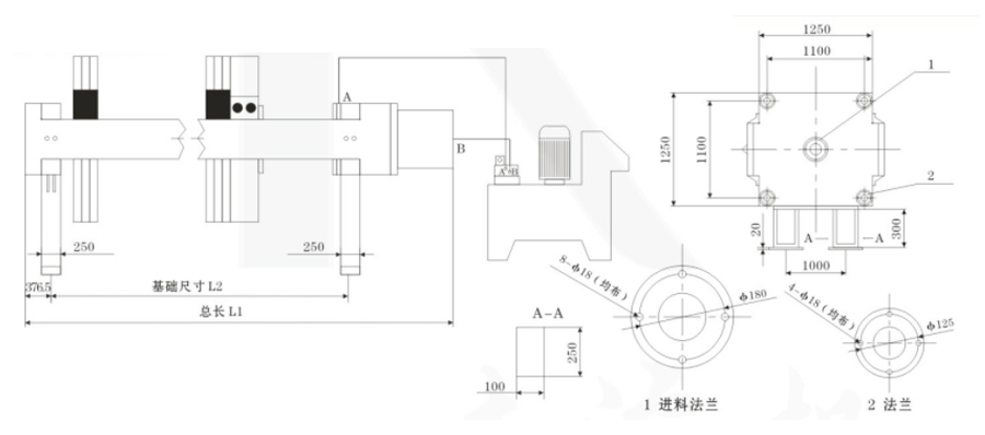
外形及地基示意图:

技术参数表:
